Hogo Tube
Hogo Tubeは、使用済みの海底ケーブル保護管を再資源化し、再びケーブル保護に活用できるリサイクル製品です。
洋上風力発電や海底インフラなどで使用され、高い耐久性と柔軟性を備えています。再利用可能な素材と環境に配慮した製造プロセスにより、資源の循環と環境保全に貢献します。
海を守りながら、電力インフラの安全を支える製品です。

Hogo Tubeができるまで


改修した保護管を炉に入れて溶かし、型に注ぎ込んで溶解します。
使用済みの海底ケーブルを回収することで、何度でも新たな製品として生まれ変わります。
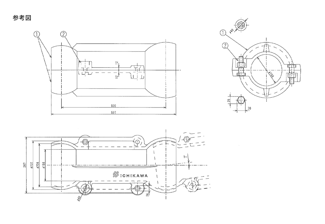
外観寸法

※その他のサイズについても対応可能です。
主要部品表
| 品番 | 部品名 | 材質 | 個数 | 備考 |
|---|---|---|---|---|
| ① | 保護管 | FC200・FCD450・ FCD700※ | 2個 | M16×60、1種ナット SW付き |
| ② | 取付ボルト | SUS304 | 4組 | 防樹脂塗装 |
※ご指定いただいた材質で製造可能です。
循環型グリーン鋳鉄による 「グリーン保護管」のご紹介
2024年10月、カーボンニュートラルの実現に向けた取組みとして、契約電力の一部を再生
可能エネルギー由来の電力とする特約で、製造過程におけるCO2排出がゼロとなる「グリーン鋳鉄」の製造・供給が可能になりました。
これにより、不要になった鋳鉄素材を回収・溶解して再製品化するという従来の「循環型水平リサイクル」をグリーン鋳鉄での対応が可能になり、カーボンニュートラルと水平リサイクルを同時に確立させるサーキュラーエコノミー(循環経済)の実現を推進していきます。


